PlanetEngineers Logo
Solenoids
Electromagnets
Electronics
Electric Cylinders
Magnets
Wire
Tubing
Springs

Solenoids

Electromagnets

Electronics

Electric Cylinders

Magnets

Wire

Tubing

Springs

Search

and or

only one keyword search term per box

 

Categories

Home
Pick & Drop Timer Driver Module, ELSOPDM950
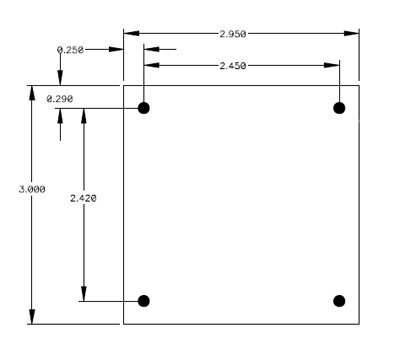
Technical specifications and dimensions for ELSOPDM950

Pick & Drop Timer Driver Module
item #:  ELSOPDM950



Availability:  in stock - available for immediate shipment

Power Driver - Pick and Drop Module

you may also consider
ELSOSDM840
Solenoid Driver Module
ELSOSDM840


Unit Price:      
    1-4 pieces: $304.73    
    5-9 pieces: $274.26    
10-24 pieces: $260.55    
25-49 pieces: $247.58    
50-99 pieces: $235.17    
Prices for larger quantities may be obtained by contacting us or by clicking the RFQ below.    
OEM quantities, more than 100 units or special instructions:
   


Special Comments


Quantity adjustment on next page

The Pick and Drop Driver Module; PDM950, applies a single pulse to the solenoid or electromagnet, then drops the supply voltage to zero. This is done by applying a signal to the trigger input of the module.

The trigger voltage could be a TTL / CMOS compatible signal or any voltage between 2.5 VDC and the DC power source supply voltage. The pick time is set using an onboard potentiometer and can be adjusted between 2 milliseconds and one minute.

This product is RoHS complaint.

Performance Specifications
 
Parameter Min Typical Max Units
Supply Voltage (Vcc) 9   50 VDC
Peak Current     15 Amp
RMS Current   4   Amp
Command Range 2.5   Vcc VDC
Operating Temperature 0   50 Deg C
Storage Temperature -40   125 Deg C



Shipping Weight: 0.8 lb (0.4 kg)



Quantity adjustment on next page

Navigation breadcrumb

Copyright © 2026 PlanetEngineers.com